グローバルな化学産業におけるパフォーマンスの推進

今日、化学製品製造者は、進化する安全基準とエネルギー効率の目標やアジャイルな生産と労働力の実現など、複雑に組み合わさった圧力にさらされています。 エマソンは、グローバルリーチ、深い専門知識、広範なテクノロジーポートフォリオを独自に組み合わせ、このような課題を正面から解決します。 当社は、レガシーインフラの最新化や新たな需要に応じたスケールアップなど、正確かつ確実な運用を支援するツールとインサイトを提供しています。

エマソンのサポート内容

コストの上昇と環境規制の強化により、今までよりもスマートなリソース管理が求められています。 エマソンの自動化・制御ソリューションを使用すると、エネルギーと水の消費を削減し、廃棄物を最小限に抑え、高品質の製品を維持することで、スループットや信頼性を損なうことなくサステナビリティの目標を達成できます。

市場のボラティリティと顧客ニーズの変化には、迅速に適応できる生産システムが必要です。 コントロールバルブから高度な自動化プラットフォームまで、エマソンの拡張性の高い技術は、迅速なチェンジオーバー、バッチ制御の改善、コストパフォーマンスの高い運用をサポートする柔軟な製造戦略を可能にします。

コンプライアンスにおいて、プロセスの安全性は何より重視され、オペレーショナルインテグリティの基礎となります。 エマソンは、化学製品製造者による階層型保護戦略(高度な監視、アラーム管理、安全計装システム(SIS)、圧力リリーフソリューションなど)の実施を支援し、リスクの軽減、および作業員、設備、環境の保護を実現します。

計画外のダウンタイムが発生すると、生産性と収益性が損われます。 エマソンのアセットマネジメント・予測診断ソリューションは、重要な機器と重要度の低い機器の両方に可視性を拡張し、設備全体にわたる障害の予防、メンテナンスの最適化、高パフォーマンスの維持を支援します。 

数字で見るエマソンの化学製造向け製品

0 %
2050 年までに求められるアンモニア生産能力の増強
数百万
サイクルテスト済みのソレノイドバルブ設計
0 %
媒体ろ過圧力規制による汚染防止

アンモニア製造者向けのバルブソリューション

Fallback image

アンモニア制御プロセスマップ

Fallback image

アンモニア圧力プロセスマップ

Fallback image

アンモニア・アクチュエーション・プロセス・マップ

Fallback image

アンモニア分離プロセスマップ

粉体排出システムバルブの課題

Cycle Frequency

サイクル回数

粉体排出用の自動バルブは、高速かつ高頻度で動作できなければなりません。 開閉速度は通常 1 インチあたり 1 秒未満で、1 日あたり 600 回以上のサイクルが要求されます。

 

このため、バルブのコンポーネントだけでなく、アクチュエータにも高度な設計が要求されます。 これらのアクチュエータは、硬い材料と、最適化したスプリング、ベアリング、シールで構成する必要があります。 また、アクチュエータには、過大な衝撃荷重を抑制するためのクッションが組み込まれていなければなりません。

Powder Ingress

粉体の進入

ポリエチレンやポリプロピレンの粉体は、バルブにとって最も取り扱いが難しい媒体のひとつです。 粉体の微細な粒子がボールとシートの間の隙間に入り込む可能性があります。 この粉体は短時間のうちに蓄積され、密閉性を損ない、さらにはバルブを破損させる可能性があります。
 

不正確に機械加工されたコンポーネントと効果のないシールを備えたずさんな設計のバルブは、粉体の蓄積を助長するため、必然的にバルブやアクチュエータの故障を招くことになります。

Component Wear

コンポーネントの摩耗

粉体排出システムバルブの動作条件は、高速で頻繁なサイクルと、研磨性のあるポリエチレンやポリプロピレンの粉体粒子とが組み合わさっています。 このような条件下では、コンポーネントの摩耗が故障の主要な原因になっています。
 

この用途のバルブは、設計や仕様が不適切だと、ボールやシートに傷がついたり、ベアリングやシール、スプリングが劣化したりします。 このような損傷は、バルブの早期故障の原因となり、ダウンタイムとメンテナンスが必要となります。

Downtime Risk

ダウンタイムのリスク

粉体排出システムバルブの信頼性は、事業の収益性にとって非常に重要です。 シーリングの効果がない場合、粉体の品質が損なわれ、廃棄物や再処理にコストがかかります。 また、これらのバルブが故障すると、反応器を停止しなければならず、下流のプロセスが停止してしまいます。
 

さらに、スペア部品や交換用バルブの中には、リードタイムが長く、ダウンタイムやメンテナンスの予算が膨らみ、高コストになってしまうものがあります。

炭素排出量とエネルギーの削減向けソリューションの実例

Fouling HR

熱交換器

パフォーマンス目標の達成は、製品のインベントリと移動状況の正確な追跡にかかっています。 同時に、タンクとタンクファームには、特有の安全性とコンプライアンスの課題があります。 エマソンは、お客様の貯蔵システムを完全に自動化するソリューションを提供し、インベントリ管理、タンクレベルの測定、法令遵守、現場から得たデータの事業計画への統合を容易にします。

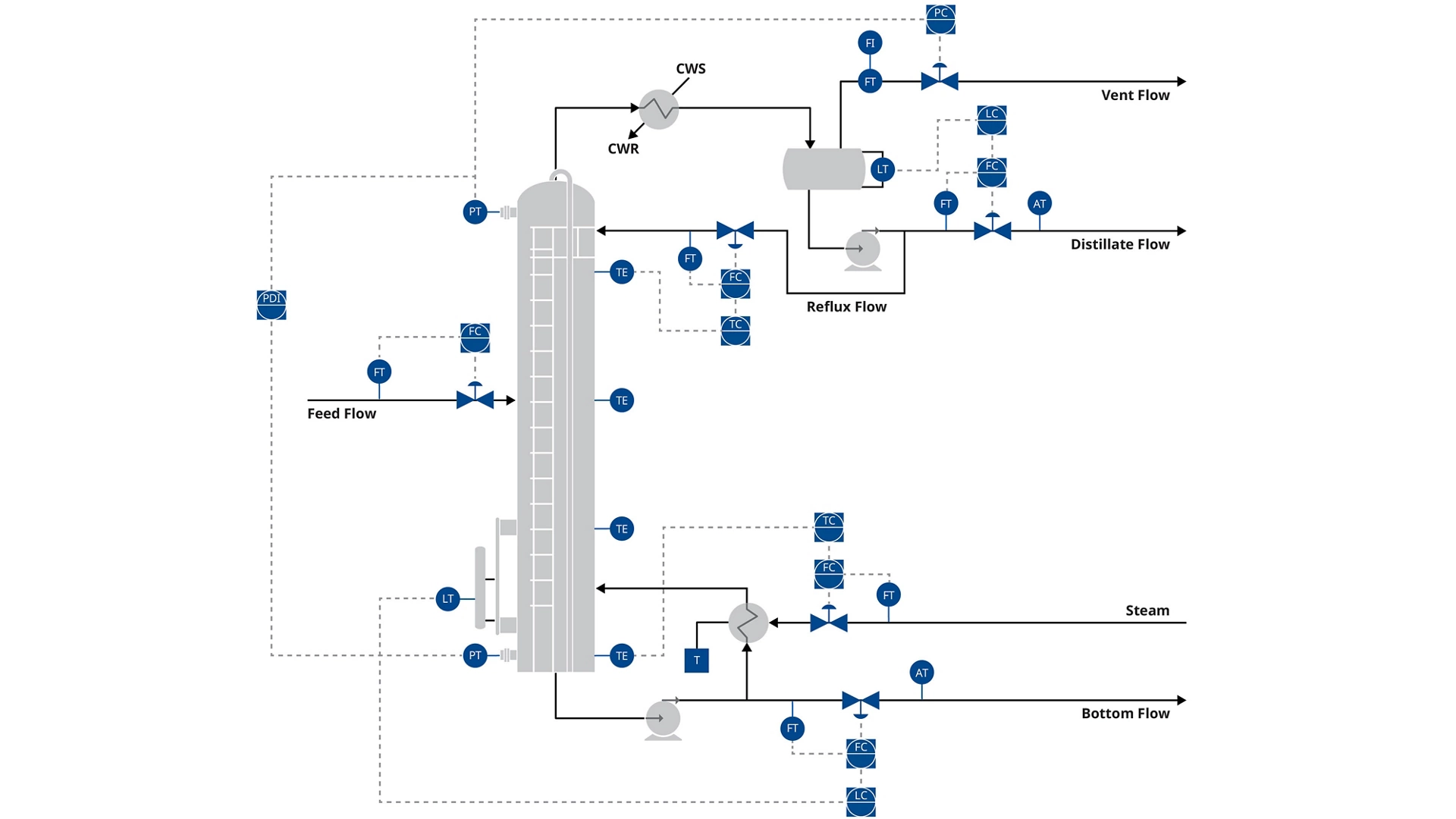
PID Chemical Distillation Process Instrumentation Diagram

蒸留塔

供給状態の変動、温度変化、圧力の変動が蒸留プロセスを不調にする可能性があります。 過剰な精製は、高いエネルギー消費とコストに結び付くと同時に、信頼性の低い機器の機能低下や停止につながります。 エマソンの蒸留ソリューションは、最先端のセンサ、伝送器およびプロセス制御テクノロジーを使用して、お客様が製品を仕様通りに生産し続けることができるように支援し、さらに収益性が高く、エネルギー効率の優れた蒸留オペレーションを実現する予測診断と最適化されたプロセス制御を提供できます。

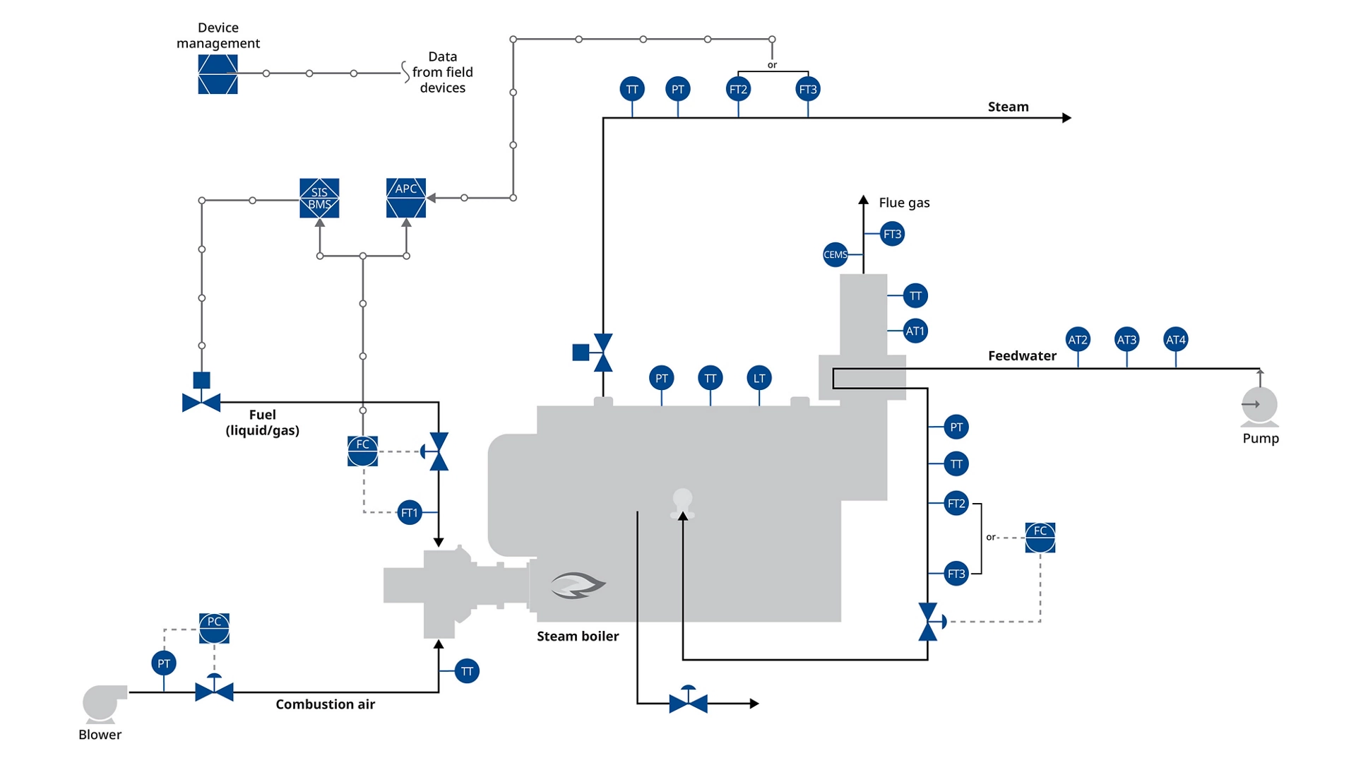
PID Chemical Boiler Control Process Diagram

ボイラー

ボイラーやその他の燃焼プロセスは、工業生産を構成する重要な要素です。 精度の低い運用は、燃料費と排出量の増加をもたらし、また現場全体の生産品質とスループットに悪影響を及ぼします。 エマソンのオートメーション技術と燃焼プロセスの専門家は、長期的な信頼性、低コスト、および最適なプロセス性能を実現するための総合的な改善アプローチを使用して、ボイラーおよび燃焼プロセスの問題に対処します。

Steam Application Map Diagram

蒸気

当社では、プラントの安全で経済的なオペレーションにとって蒸気の温度制御がいかに重要であるか、また正確な管理がいかに難しいかを認識しています。

 

エマソンのスチームソリューションの幅広いポートフォリオには、熱力学的、熱工学的、機械的スチームトラップ、ボイラーードラムから汚泥や溶存固形物を除去するためのブローオフ/ブローダウンバルブ、ボイラードラムの水位を監視するためのゲージとボイラー・フィード・ポンプを保護するための自動再循環制御(ARC)バルブが含まれます。 当社の専門家が、 最適なオペレーションを確保し、エネルギー効率を高めるためのソリューションを提案いたします。 

Fallback image

タンク

パフォーマンス目標の達成は、製品のインベントリと移動状況の正確な追跡にかかっています。 同時に、タンクとタンクファームには、特有の安全性とコンプライアンスの課題があります。 エマソンは、お客様の貯蔵システムを完全に自動化するソリューションを提供し、インベントリ管理、タンクレベルの測定、法令遵守、現場から得たデータの事業計画への統合を容易にします。

リソース